Rassegna storica del Risorgimento

1859 ; REPUBBLICA ROMANA (1849)
anno <1916>   pagina <243>
immagine non disponibile

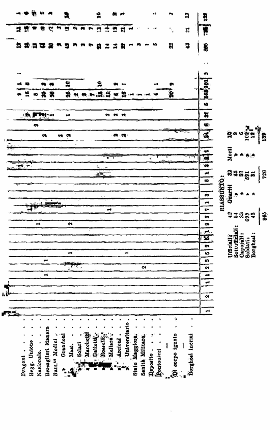
Dragoni * . . . IJogg. Unione . . Nazionale. . 'S BemgUexi Mimata Batt.** Modici . .
> 0 nmdonl .
* Mfcsi. . . ES Solari V.
l'MlHohiitri .
Galletti. -
oaaoIU. .
Multata . .
* Asdoul . . I
> UrdToreltari Stato Maggiore. . Sanità Militare, . Deposito>,'. , . Pontóuieri . , < I
corpo ignoto .
UorghNi Inermi .
I
r? '-
11
3 6 2
6
*!
18 2115
5 1
2
w
fi*
I
fi 111
ISJ
n
gu
B
131 n
[16] 111
m
i
u
10 !
J-0
f
9
30]
10
ifl
11
fi 21
6
HH
Ufficiali r
gottuflleinll:
Capotali :
8oldati:
Borghesi: '
RIASEPQ;
2
64
33
69S
43
Guariti
>
*
>
*
32
15
t*V""
521
31
Morii

*
>
>
10
2
fi
102
12
*i
il

fi
12
iir
-5 23
SS
5
720
139